
設備介紹
挖沙船的主要工作原理:該設備由船體、輸送系統、進水系統、排空系統等組成,輸送系統包括動力、離合器、抽沙泵等,排空系統包括高壓水泵、抽真空裝置等。挖沙船利用水力的作用,將高壓水槍噴射出的水柱沖起的細沙、海沙等在水泵的作用下由管道輸送到目的地。
挖沙船的主要系統工藝:目前在入海口作業的大型挖沙船操作使用方法是:靠虹吸管從海底將泥沙吸到船上,然后經過清水清洗,對泥沙進行分離。左右輪斗將沙從清洗池運送到沙槽內,再通過左右橫向皮帶將沙輸送到運沙船上,完成挖沙的過程。由于工況需要吸沙管(虹吸管)、吸沙管(虹吸管)三腳架、容器斗、運輸皮帶輸出都需要調速。


系統配置
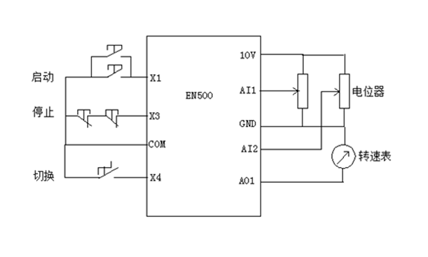
該挖沙船傳動系統使用了一臺易能EN500-220KW變頻器應用在挖沙裝置上,驅動電機拖動超重負載實現無級調速。變頻器采用外部端子三線制控制及外部電位器調速,滿足兩地遠程均可啟停調速。針對船上采用柴油機發電,電源質量不佳;船體走線過長,易引起干擾的環境特點,變頻器加裝了輸入電抗器和輸出電抗器以增加功率因素,抑制電磁干擾。


應用優勢
·挖沙船采用易能EN500型變頻器節能改造后,使電機啟動電流小,對電網無沖擊,低速時電能損耗小,起到了節能作用。在選取柴油發電機時功率可適當減小,節約了成本。
·系統通過易能EN500高性能變頻器的加持,使電機低頻輸出力矩大,拖動超重負載運行流暢無遲滯,控制電機實現無極調速,滿足了不同生產要求,大大提高了生產效率。
·易能EN500型變頻器具備缺相保護、欠壓保護、過載保護、等智能保護功能,遇到水下有障礙物時,變頻器對電機和柴油發電機都能起到有效的保護作用,使系統穩定可靠。
?
? 4000-711-088
深圳市南山區桃源街道麗山路大學城創業園1503室
0755-26985120
info@enc.net.cn