一、EN630產品介紹
EN630系列高性能矢量變頻器,內置PG卡功能,有速度和轉矩兩種矢量工作模式,控制精度高、速度響應快、低頻特性非常優越,各種智能檢測與保護完善,功率范圍0.4KW~1.5KW ,鍵盤自帶數字電位器,有拷貝功能,參數設置簡單,操作方便。

二、編碼器介紹:
編碼器是一種旋轉傳感器,作用是將旋轉位移轉換成一串數字脈沖信號,這些脈沖信號可用來控制角度位移,若編碼器與齒輪條或螺旋絲杠結合在一起,可測量直線位移。
編碼器根據輸出信號可分:差分式和集電極式。
EN630適用集電極增量式編碼器,無需外配獨立的PG卡。
編碼器線數:是指光電碼盤一圈刻線,比如1024線,2048線。
編碼器分辨率:編碼器在正常工作中最小可辨識的角度,比如線數為2500線的增量式編碼器,結合A/B相四倍頻,算得分辨率是(360°/100000)度。
三、EN630閉環控制
1、EN630閉環系統組成
2、編碼器舉例介紹
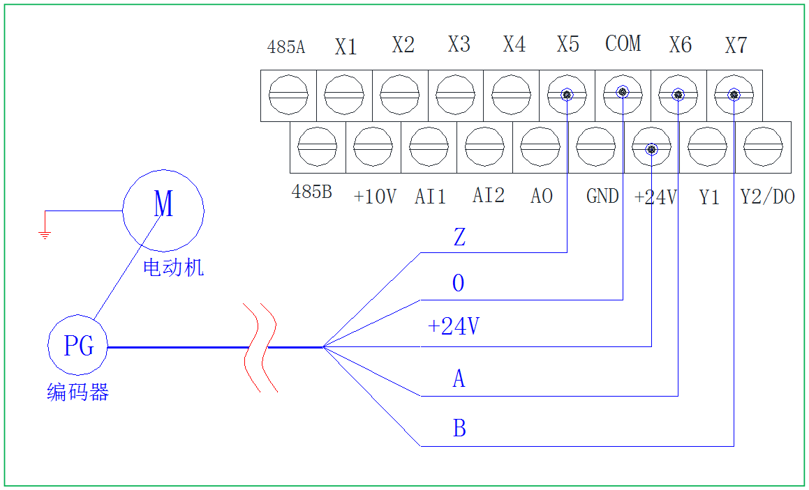
型號E6B2-CWZ6C 的規格參數(實物舉例)
褐色線 |
電源(
VCC) |
接
+24V端子 |
黑色線 |
編碼器輸出
A相 |
接
X6端子 |
白色線 |
編碼器輸出
B相 |
接
X7端子 |
橙色線 |
編碼器輸出
Z相 |
接
X5端子 |
藍色線 |
0V |
接
COM端子 |
編碼器線數 |
2000 |
設置
F16.01=2000 |
3、EN630與編碼器接線原理圖
4、編碼器與EN630接線實物演示圖
4、編碼器與電機安裝實物演示圖
5、變頻器主要參數設置
閉環控制基本參數
F00.00=2 |
高級菜單模式 |
開通高級菜單 |
F00.19=3 |
增量式
PG卡選擇 |
開通編碼器和
X5/X6/X7端子功能 |
F00.24=2 |
有速度傳感器矢量模式 |
開通閉環矢量 |
F16.01=2000 |
編碼器線數 |
設置編碼器線數 |
F16.02=00 |
AB
正相序設置 | 校正編碼器輸出 AB相序 |
電機自學習參數
F15.01 |
電機額定功率 |
根據電機銘牌填寫 |
F15.02 |
電機額定電壓 |
根據電機銘牌填寫 |
F15.03 |
電機額定電流 |
根據電機銘牌填寫 |
F15.04 |
電機額定頻率 |
根據電機銘牌填寫 |
F15.05 |
電機額定轉速 |
根據電機銘牌填寫 |
F15.06 |
電機極對數 |
根據電機銘牌填寫 |
四、其他注意事項
1、若接線和參數設置好后啟動電機出現過流或過載,電機旋轉無力,則為編碼器AB相序接反,選擇下面任一種方式校正:
修改F16.02值(F16.02=00為正相序,F16.02=01為反相序)
調換A、B相接線
調換電機輸出線任意兩相
2、電機參數自學習最好選擇旋轉自整,即F15.19=2,此方式還可智能調整AB相序設置F16.02值;
3、其他參數根據實際應用設置。
4000-711-088
深圳市南山區麗山路民企科技園四棟五、六層
0755-26985120
info@enc.net.cn